电动法兰蝶阀D941X-10Q-10C电动橡胶软密封蝶阀的工作原理
电动法兰蝶阀D941X电动软密封蝶阀D941X-10Q电动蝶阀D941X-10C电动蝶阀/电动开关蝶阀/电动切断蝶阀/防爆电动蝶阀/电动调节蝶阀/IP68防水电动蝶阀/电动不锈钢蝶阀/潜水型电动蝶阀/电动法兰式蝶阀/电动法兰软密封蝶阀/电动橡胶密封蝶阀/电动橡胶软密封法兰蝶阀由电动执行器与法兰蝶阀组成,根据工作方式及工况不同,可分为开关控制型和智能调节型(4~20mA模拟量信号控制),密封形式有软密封及硬密封,通过电动执行机构工作,旋转阀杆带动碟板在0-90°的范围内做开启和关闭使用。电动法兰式蝶阀的结构性能优于对夹式蝶阀,一般耐压力较高,故口径超过DN600的工况都建议使用电动法兰式蝶阀。

电动蝶阀采用一体化结构,接入220V或380V电源即可控制运转,也可加入控制模块,输入控制信号(4-20mADC或1-5VDC)进行调节控制。电动蝶阀具有功能强,体积小,轻便宜人,性能可靠,配套简单,流通能力大。广泛应用于食品,环保,轻工,石油,化工,教学设备,造纸,电力等到行业的工业过程自动控制系统中。

性能特点:
1、一种可远程控制的自控蝶阀,同时具备法兰蝶阀的特点,可配蝶阀口径较广;
2、电源是电动蝶阀的驱动能源,动力源广泛,适用范围广,节省人力资源,更有工作效率;
3、操作方便,容易满足各种控制要求,选配不同的电动执行器就可实现,信号反馈、调节流量、防爆等功能;
4、可实现超小型化,可实现机械自锁性,可更换不同密封圈,满足不同工况。

执行标准:
设计规范:GB/T 12238
结构长度:GB/T 12221
法兰连接:GB/T 9113
试验与检验:GB/T 13927
根据不同工艺要求选配不同电动执行器:开关型、信号反馈型、防爆型、调节型等

工作原理:
D941X电动橡胶密封法兰蝶阀以AC220V、AC380V或DC24V电源电压作动力,接受来自(DCS、PLC)系统或调节仪表、操作器等输入的(4-20mA、0-10mA或1-5VDC)电流信号或电压信号,即可控制运转。以角行程输出的扭矩转动阀轴0~90度,就能完成启闭动作或调节动作。

概述:
电动蝶阀性能可靠、配套简单、流通能力大,特别是适合于介质是粘稠、含颗粒、纤维性质的场合。电动蝶阀广泛应用于食品、环保、轻工、石油、造纸、化工、教学和科研设备、电力等行业的工业自动控制系统中。

产品特点:
1、电动蝶阀双向密封性能优良,扭矩值小。
2、电动蝶阀流量特性趋于直线,调节性能好。
3、法兰连接安装便捷,立式、卧式安装均可。
4、密封副材料的多样性,可供用户选择。
5、电动蝶阀可用于管端作放空阀用,性能可靠。
6、阀座密封圈与阀体有机地结合为体,使阀门具有较长的使用寿命。
技术参数和性能:
|
电动执行器技术参数 |
D941X电动法兰式蝶阀阀体参数 |
||
|
电源 |
AC110、220、380V/DC24、220V |
公称通径 |
DN40~500mm |
|
输出力矩 |
50N·M~2000N·M |
公称压力 |
PN1.0、1.6MPa |
|
任选功能 |
开关型、触点型、开度信号、智能型 |
阀轴材质 |
碳素钢、304/316/316L不锈钢 |
|
动作范围 |
0~90°±5° |
阀体材质 |
球墨铸铁、碳素钢、不锈钢 |
|
动作时间 |
15秒/30秒/60秒 |
阀板材质 |
球墨铸铁、304/316/316L不锈钢、尼龙 |
|
环境温度 |
-30°~60° |
阀座密封 |
EPDM、NBR、耐磨橡胶 |
|
手动操作 |
附带手柄操作 |
结构形式 |
中线型、无销型 |
|
限 位 |
电气、机械二重限位 |
温度 |
EPDM≤80℃;NBR≤68℃ |
|
防护等级 |
IP-67(防爆外壳:Exd Ⅱ BT4 IP67可选) |
适用介质 |
水、空气、天然气 |
|
输入信号 |
0-10,1-5VDC/4-20mA(智能型) |
特点 |
用途广、整体造价低、流量大、流阻小 |
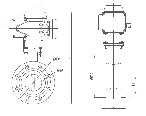
外形结构图:

连接尺寸:
|
公称通径
|
结构长度(标准值)
|
外形尺寸(参考值)
|
连接尺寸(标准值)
|
|||||||||||||||
|
0.6MPa
|
1.0 MPa
|
1.6 MPa
|
||||||||||||||||
|
mm
|
inch
|
L
|
H
|
Ho
|
A
|
B
|
D
|
D1
|
D2
|
n-d
|
D
|
D1
|
D2
|
n-d
|
D
|
D1
|
D2
|
n-d
|
|
50
|
2
|
108
|
82.5
|
443
|
125
|
125
|
140
|
110
|
88
|
4-14
|
165
|
125
|
99
|
4-18
|
165
|
125
|
99
|
4-18
|
|
65
|
21/2
|
112
|
92.5
|
463
|
125
|
125
|
160
|
130
|
108
|
4-14
|
185
|
145
|
118
|
4-18
|
185
|
145
|
118
|
4-18
|
|
80
|
3
|
114
|
100
|
483
|
125
|
125
|
190
|
150
|
124
|
4-18
|
200
|
160
|
132
|
8-18
|
200
|
160
|
132
|
8-18
|
|
100
|
4
|
127
|
110
|
498
|
125
|
125
|
210
|
170
|
144
|
4-18
|
220
|
180
|
156
|
8-18
|
220
|
180
|
156
|
8-18
|
|
125
|
5
|
140
|
125
|
682
|
325
|
245
|
240
|
200
|
174
|
8-18
|
250
|
210
|
184
|
8-18
|
250
|
210
|
184
|
8-18
|
|
150
|
6
|
140
|
142.5
|
736
|
325
|
245
|
265
|
225
|
199
|
8-18
|
285
|
240
|
211
|
8-22
|
285
|
240
|
211
|
8-22
|
|
200
|
8
|
152
|
170
|
800
|
325
|
245
|
320
|
280
|
254
|
8-18
|
340
|
295
|
266
|
8-22
|
340
|
295
|
266
|
12-22
|
|
250
|
10
|
165
|
197.5
|
895
|
363
|
313
|
375
|
335
|
309
|
12-18
|
395
|
350
|
319
|
12-22
|
405
|
355
|
319
|
12-26
|
|
300
|
12
|
178
|
222.5
|
956
|
363
|
313
|
440
|
395
|
363
|
12-22
|
445
|
400
|
370
|
12-22
|
460
|
410
|
370
|
12-26
|
|
350
|
14
|
190
|
252.5
|
1029
|
363
|
313
|
490
|
445
|
413
|
12-22
|
505
|
460
|
429
|
16-22
|
520
|
470
|
429
|
16-26
|
|
400
|
16
|
216
|
282.5
|
1103
|
363
|
313
|
540
|
495
|
463
|
16-22
|
565
|
515
|
480
|
16-26
|
580
|
525
|
480
|
16-30
|
|
450
|
18
|
222
|
307.5
|
1186
|
465
|
439
|
595
|
550
|
518
|
16-22
|
615
|
565
|
530
|
20-26
|
640
|
585
|
548
|
20-30
|
|
500
|
20
|
229
|
335
|
1280
|
546
|
431
|
645
|
600
|
568
|
20-22
|
670
|
620
|
582
|
20-26
|
715
|
650
|
609
|
20-33
|
|
600
|
24
|
267
|
390
|
1321
|
546
|
556
|
755
|
705
|
667
|
20-26
|
780
|
725
|
682
|
20-30
|
840
|
770
|
720
|
20-36
|
|
700
|
28
|
430
|
447.5
|
1431
|
546
|
556
|
860
|
810
|
772
|
24-26
|
895
|
840
|
794
|
24-30
|
910
|
840
|
794
|
24-36
|
|
800
|
32
|
470
|
507.5
|
1542
|
546
|
556
|
975
|
920
|
878
|
24-30
|
1015
|
950
|
901
|
24-33
|
1025
|
950
|
901
|
24-39
|
|
900
|
36
|
510
|
557.5
|
1800
|
617
|
706
|
1075
|
1020
|
978
|
24-30
|
1115
|
1050
|
1001
|
28-33
|
1125
|
1050
|
1001
|
28-39
|
|
1000
|
40
|
550
|
615
|
2363
|
632
|
706
|
1175
|
1120
|
1078
|
28-30
|
1230
|
1160
|
1112
|
28-36
|
1255
|
1170
|
1112
|
28-42
|
|
1200
|
48
|
630
|
727.5
|
2583
|
632
|
706
|
1405
|
1340
|
1295
|
32-33
|
1455
|
1380
|
1328
|
32-39
|
1485
|
1390
|
1328
|
32-48
|
|
1400
|
56
|
710
|
837.5
|
2710
|
790
|
1338
|
1630
|
1560
|
1510
|
36-36
|
1675
|
1590
|
1530
|
36-42
|
1685
|
1590
|
1530
|
36-48
|
|
1600
|
64
|
790
|
957.5
|
2845
|
868
|
1476
|
1830
|
1760
|
1710
|
40-36
|
1915
|
1820
|
1750
|
40-48
|
1930
|
1820
|
1750
|
40-56
|
|
1800
|
72
|
870
|
1057
|
3060
|
868
|
1476
|
2045
|
1970
|
1918
|
44-39
|
2115
|
2020
|
1950
|
44-18
|
2130
|
2020
|
1950
|
44-56
|
|
2000
|
80
|
950
|
1162.5
|
3350
|
965
|
1600
|
2265
|
2180
|
2125
|
48-42
|
2325
|
2230
|
2150
|
48-48
|
2345
|
2230
|
2150
|
48-62
|
选型:
1、电源电压:DC24V、DC220V、AC110V、AC220V、AC380V
2、介质类型、温度、压力
3、控制类型:开关型、无源触点型、阀位信号反馈型、智能调节型
4、智能调节型:输入信号4-20mA,1-5V,0-10V;输出信号:4-20mA,1-5V,0-10V
注意事项:
1:请务必接对电源相序,以免阀门或执行器损坏。
2:通电时禁止手动操作。
3:户外使用时给电动执行器外加防护盖子,防止老化。
4:开盖后应拧紧密螺丝,防止进水或灰尘进入电动执行器内部。
5:请不要安装在易爆气体周围,如需防爆订货时请说明。
6:请确定输入电压和配线接点是否正确。
7:禁止超负荷使用电动执行器。
上海乔邑阀门主要生产销售【电动法兰蝶阀D941X电动软密封蝶阀D941X-10Q电动蝶阀D941X-10C电动蝶阀/电动开关蝶阀/电动切断蝶阀/防爆电动蝶阀/电动调节蝶阀/IP68防水电动蝶阀/电动不锈钢蝶阀/潜水型电动蝶阀/电动法兰式蝶阀/电动法兰软密封蝶阀/电动橡胶密封蝶阀/电动橡胶软密封法兰蝶阀】,备有大量库存现货直销!我们一直秉持“合理价格、贴心服务”的理念,努力为用户提供可靠的产品和完善的售后服务。本文中所有文字、数据、图片仅供参考。

















本文地址: https://www.xsyiq.com/58771.html
网站内容如侵犯了您的权益,请联系我们删除。